图片

篮球比分直播_极速体育-app下载

当前位置:主页 > 电脑教程 > 工具软件 > 图像处理 > CAD教程 > 电气设计 > >

电缆配置图的画法

来源::未知 | 作者:篮球比分直播_极速体育-app下载 | 本文已影响
电缆配置图应提供设备或装置的结构单元之间敷设电缆所需的全部信息,一般只示出电缆的种类,也可表示线缆的路径情况。它是敷设电缆工程的依据。电缆图只表示电缆的配置情况,而不表示电缆两端的连接情况,因此,电缆配置图比较简单。通常情况下,各单元用实线框表示,且只表示出各单元之间所配置的电缆,并不示出电缆和各单元的详细情况。
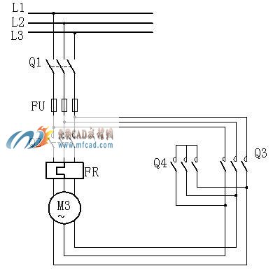
【例】绘制如图2-39所示的电缆配置图。

2-39电缆配置图例
画法步骤
1)创建新的图形文件  选择→【开始】→【程序】→【Autodesk】→【AutoCAD2008中文版】→【AutoCAD2008】进入AutoCAD2008中文版绘图主界面。
2)绘制三个单元
选择线的宽度为0.3                                    <!--[if !vml]--><!--[endif]-->
命令: _rectang                                      ∥ 启用长方形命令 <!--[if !vml]--><!--[endif]-->
指定第一个角点或 [倒角(C)/标高(E)/圆角(F)/厚度(T)/宽度(W)]:  ∥绘图区域单击一点
指定另一个角点或 [面积(A)/尺寸(D)/旋转(R)]:
 ∥单击另一角点,大小自定,绘制第一个矩形
命令: _copy                                      ∥启用复制 <!--[if !vml]--><!--[endif]-->命令
选择对象指定对角点找到 个                  ∥选择小方框       
当前设置:  复制模式 = 多个
指定基点或 [位移(D)/模式(O)] <位移>:             ∥小方框的右下角点
指定第二个点或 <使用第一个点作为位移>:           ∥正交打开,依次进行复制
结果如图2-40所示。

2-40画图步骤1
4)检查图形,绘制连接线
选择线的宽度为0.18                           <!--[if !vml]--><!--[endif]-->
命令: _line 指定第一点:                     ∥启用直线 <!--[if !vml]--><!--[endif]-->命令
指定下一点或 [放弃(U)]:                     ∥正交打开,按从左到右顺序依绘制
结果如图2-41所示。

2-41画图步骤2
5命令: _mtedit          ∥启用多行文字 <!--[if !vml]--><!--[endif]-->命令
标注文字时,字体为宋体字,大小根据图形的实际大小来确定字的高度,为了能保证字体的一致性,建议学生同样大小的字体确定一个之后,其余都进行复制,然后对复制后的文字双击进行修改,这样效率比较高。如果文字的方向不一致,可先标出一个,对其进行旋转,这样就能满足要求了。
结果如图2-42所示。
                  
2-42画图步骤3
【练习题】
一、绘制如图2-43所示电气电路部件图。

2-43电气电路部件图
二、绘制如图2-44所示起动器主电路连接线图。

2-44起动器主电路连接线图

篮球比分直播_极速体育-app下载